引脚数 封装 接电源脚 ( VCC ) 接地脚 ( GND )
清除刷选 清除刷选 清除刷选 清除刷选
*所有芯片丝印数据24小时实时更新,普通注册用户享4印反查数据。
封装/示意图 功能/定义图 标识/类目/封装 引脚参数 主要技术参数 品牌 权限/详情
alt
丝印: AA523
封装:SC-74A,SOT-753
又称:SOT-23-5
引脚数:5Pin
电源(vin)脚:5
接地(gnd)脚:2
输出(out)脚:
开关类型: 通用
输出数: 1
电压-输入电源(vcc/vdd): 不需要
输出配置: 高端
等级:-
alt
丝印: AA523
封装:SOT-23-6
又称:SOT-23-6
引脚数:6Pin
电源脚:6
接地脚:1
其他引脚:
拓扑:
电压-电源(vcc/vdd):
电压-启动:
占空比:
等级:-
缓冲
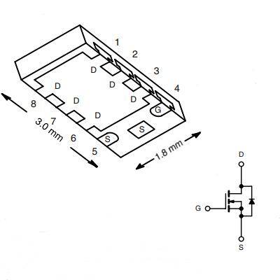
丝印: AA523
类别: 单通道MOS管
封装:8-PowerVDFN
又称:8-PowerPak® ChipFet(3x1.9)
引脚数:8Pin
G(Gate)引脚:4
D(Drain)引脚:1 2 3 6 7 8
S(Source)引脚:5
Fet类型: N 通道
漏源极电压(vdss): 60V
电流-连续漏极(id): 12A(Tc)
Vgs(最大值): ±20V
等级:-
alt alt
丝印: AA523
封装: -
又称:USP-6C
引脚数:6Pin
电源脚:
地引脚:
其他脚数:
说明1:老数据型号,厂家可能不完整
说明2:老数据变动码用X表示
说明3:后期会在更迭中进行删除
说明4:建议注册会员解锁一亿全部数据
型号: XC6113A523ER
品牌: TOREX
等级:

热门搜索

MTx  shbb  A09C  F5L  1Z8  X78C  2534  3178  HTN  VKU  ZKU  D3207  4D320  2274AI  3AAN  955  P23S  ZC5  THL  FKN  4D6  D213  02BW  confi  9FU  BA126  L212  bvn  P4KM  P95  41Y  R2JF6  0RS  A10C  P99x  CO3S  f81t  XMFR  OJC  3141  61175  G9A1  C18R  ZQ2  QU4  p1N  1D-  221N  4l4h  E7xx  T272C  X1AV  IL44  XTDV  oggq  KLFXN  EKK  RFE  p1Q  PVZ  669  4D431  2418E  1A-  B4H  am5n  M0W  T0I  NSO3  b3p6  YLP  MFD  NA1Y  BJT  R53A  K1-  7115  4032  G07  30411  SPB  M430F2121  ADK  O05  M4L  4D044  4D445  V23  1VZ  GL24G  4D516  KVI  4UC  A2-  6228  UI2  D324DB90VI  mn1y  4D045  4D620  123y  A8550AA240  M430F435-80  F3K  461CI5  00ET  E13  WAxx  ACPx  DUAA  4D624  4D526  4QS  OM3  0RZ  at4gx  2DD17  4B235  DE-  PHLI  ACCJ  W9Z  7KW  81xx  p14  BA324  X0R8  V9G  LZP  WCE  A53AA  4D623  9C639  4D432  4D532  ltcxx  S224  070x  C3Ex  il6c  XVs  Q24  FE3  B541  F241CG  taf  1Hp  E9=1**  EUS  JFI  6GZ  DAJ7  s16  ST4  SCA0F  E8H  4D541  7UL  7A649  h34H  4D329  UX4  NO9Z  X18  UT7  R33L  hlac  LT711  M6FZA  5T79  G1E9  C03ED  RM33xx  LV161A  Y52  M50L  7GC  L017D70VI  W3ICM  BCX  2H4  G1-  MU*  AAG61  F9Hxx  AFAF  6P0  4D447  T4A3  H34  BC322  QBML  FCR1  99R  2933B  QAJ  JB20  4D617  4A439  P5CC  16C2  T4BH  R2U  O42  XMGQ  P5Z  43-A  0UL  N-6  W89C  cml1  PMI  710a  AC**  VCxx  TB45A  pcz1  KU11  F31f  8BA  FZNL  9A5Qa  7A7  Q5Q  02*  d1bq  B330  ZRG  HP51  XTYG  LM71  GPKM  GI17  YM7  RNK  88kaa  4D530  EZC  281624  d63s  VF7  5Ix  3KG  EN**  4SP  R3B  E5xx  E50 Bxx  P35  BYUKG  5C5  CP2  j17  BMS  V2L  N127  PWH  1R2C  RY2  4D047  DFSA  8D538  A3ER  0TV  1F3  T-6  POP  42BG  L6H  MG1  ODxxx  OGxx  VD9  1EB  R4EA  R0C  ZE*  BH9  QNQ  7AL  E1-  Y7A  108A  C00_  C0M  PTL  QH79  byhe  XMJF  OIO  T244  Z4I  AA523  6EE  0841D  AA639  achbar  1FS  4D529  FLxxx  D1-  1H03  4D419  ALP11  ASJN  5A581  71KG4  H6**  4D521  UF1G  M9C  GEX  VBYQ  Gtpv  3A527  FZEE  PTVI  R4N  IPDI  XTDQ  DVG  17351  ECC  ha74q  85jxx  pmea  A1t  07M  HSTM  C4UV  SN4DP  4D050  3DN86  CK084  1TB  XMQI  RLBxx  BYQ  XMHH  WE2  B413  317xx  BH3G  4A8D  D6Y  7EK3  M0C  N24  BIF  z25d  504H  PC**  M44W  2004H -A7  S01  AIBH  2FS  N28  WEs  04gc 

×
开通账户:

(您当前为VIP会员,享受VIP会员特权,可续费!)

我的会员:
  • VIP会员

会员价格:
  • 1周

    ¥ 49.9

    促销

  • 1个月

    ¥ 99.9

    打九折

  • 12个月

    ¥ 499

    打八折

平台支付:
复制成功
销售在线 销售在线 工程师在线 工程师在线 电话咨询

销售在线

刘s:2355289363

手机: 15074164838

销售在线

陈s:2355289368

手机: 13510573285

工程师在线

吴工:2355289360

手机: 13824329149

工程师在线

陈工:2355289365

手机: 15818753382

电话咨询

0755-28435922